Водогрейные котлы TNX / TNX EN

Трехходовые промышленные теплогенераторы для крупных отопительных систем
  • давление: от 6 бар
  • мощность: 3000 ÷ 20000 кВт
  • КПД: > 92,0 %

Линейка TNX охватывает установки для промышленного теплоснабжения, рассчитанные на работу в диапазоне от 3000 до 7000 кВт, тогда как серия TNX EN предназначена для объектов, требующих сверхвысокой мощности — от 8000 до 20000 кВт.

Котлы применяются в масштабных системах отопления и горячего водоснабжения с температурой теплоносителя 60–110 °C и обеспечивают стабильную теплопередачу при пиковых нагрузках.
Конструктивно TNX и TNX EN — это трехходовые газотрубные агрегаты промышленного класса с омываемым днищем топочной камеры, что повышает эффективность теплообмена и оптимизирует топливные затраты.

Оборудование совместимо с наддувными горелками для природного газа, дизельного топлива и мазута, что упрощает подбор решения для существующей инфраструктуры и разных режимов эксплуатации.
Такие системы выбирают, когда требуется прогрев больших площадей, длительная работа под нагрузкой и гарантированная тепловая отдача без провалов по мощности.
Сферы применения
Преимущества
Технические характеристики
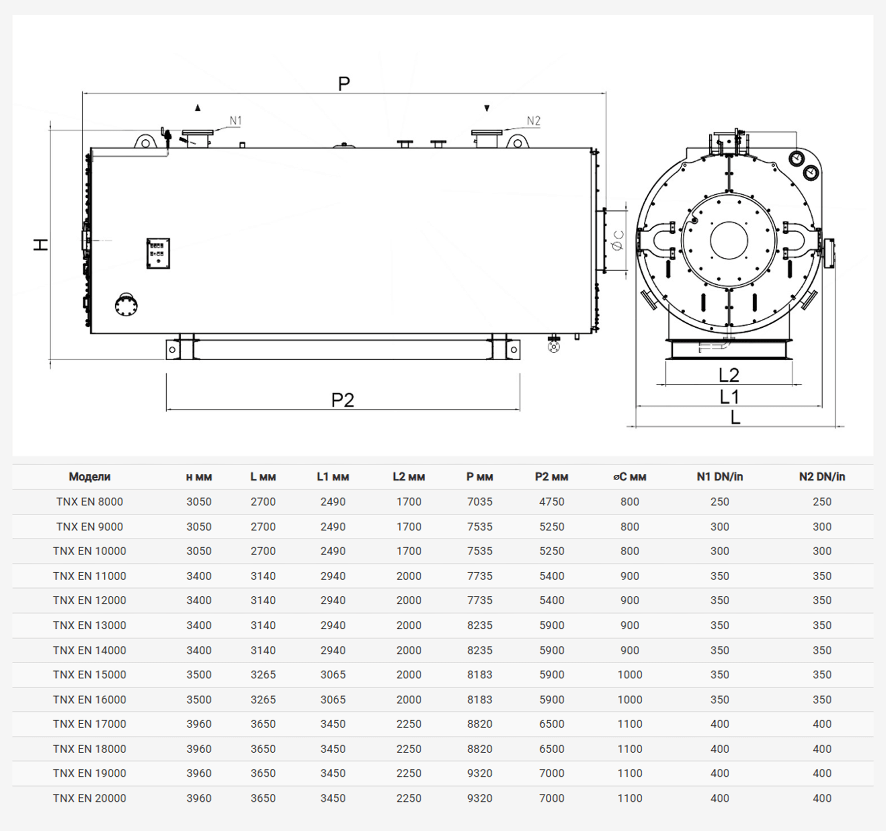
Габаритные размеры

Сферы применения

Теплоснабжение крупных медицинских комплексов
Системы рассчитаны на бесперебойный прогрев больших площадей, поддержание стабильной температуры и горячего водоснабжения при круглосуточной нагрузке.

Коммерческая недвижимость и объекты массового посещения
Торговые центры, бизнес-площадки и общественные зоны получают устойчивое тепло при скачках потребления и сезонных пиков.

Центральные тепловые сети и районные котельные
TNX / TNX EN подходят для распределения тепла сразу на несколько зданий, обеспечивая высокий КПД и контроль параметров теплоносителя.

Производственные и складские комплексы
Котлы справляются с большими объемами воздуха и необходимой температурой в цехах, логистических терминалах и закрытых промплощадках.

Тепловое обеспечение спортивных объектов и аква-инфраструктуры
Поддерживают водонагрев для бассейнов, арен и фитнес-центров с постоянным потреблением горячей воды.

Отопление жилых кварталов и высотной застройки
Используются как источник тепла для многоквартирных комплексов и целых жилых микрорайонов, где важны стабильность и экономия топлива.

Преимущества

Работа с большими нагрузками без падения эффективности
Теплогенераторы сохраняют стабильные параметры даже при резком росте потребления тепла — это важно для объектов, которые работают 24/7 и не допускают простоев.

Оптимизация издержек на топливо в долгую
Конструкция корпуса и увеличенная площадь теплообмена обеспечивают глубокую утилизацию тепла дымовых газов. В результате заказчик получает прогнозируемую экономию на топливе при любых режимах.

Масштабируемость под проект
Серия TNX / TNX EN включает мощности от 3 до 20 МВт и допускает комбинирование оборудования в каскады, что упрощает подбор решения под требования конкретного объекта — от больницы до промышленного кластера.

Минимум вмешательства при эксплуатации
Тепловая инерция и объем воды сглаживают пиковые колебания, снижая частоту регулировок и потребность в сервисных остановках. Это снимает часть нагрузки с обслуживающего персонала.

Интеграция в автоматизированные системы управления
Котлы легко подключаются к системам контроля теплового контура. Это упрощает удалённый мониторинг, энергоменеджмент и ведение статистики потребления.

Длительный срок службы под промышленный режим
Прочная конструкция, устойчивость к тепловым колебаниям и надёжная теплоизоляция обеспечивают многолетнюю работу без деградации показателей, что снижает совокупную стоимость владения.

Технические характеристики


Габаритные размеры


Смотрите также