Водогрейные котлы TNOX BT COND

Трехходовые промышленные теплогенераторы с дополнительным конденсационным рекуператором для повышения КПД
  • давление: от 6 бар
  • мощность: 3000 ÷ 7000 кВт
  • КПД: > 107,0 %

Серия TNOX BT COND — это промышленные водогрейные котлы TEKO с интегрированным конденсационным теплообменником, разработанные для объектов с повышенными требованиями к экономичности и эффективности теплоснабжения. Оборудование предназначено для работы в составе крупных отопительных и теплоэнергетических систем.

Котлы данной серии выполнены по трехходовой газотрубной схеме и оснащаются заводским конденсационным рекуператором, который позволяет дополнительно использовать теплоту уходящих дымовых газов. Такое решение снижает потери энергии и обеспечивает высокий совокупный КПД системы, включая режимы частичных нагрузок.

Модельный ряд TNOX BT COND охватывает мощности от 3000 до 7000 кВт и рассчитан на эксплуатацию в системах отопления и горячего водоснабжения с температурой теплоносителя от 60 до 110 °C. Котлы оптимально подходят для проектов, где важно снизить расход топлива, эксплуатационные затраты и нагрузку на инженерную инфраструктуру объекта.

Серия TNOX BT COND применяется при строительстве и модернизации энергоэффективных котельных, включая объекты промышленного, коммерческого и общественного назначения, где требуется стабильная работа оборудования при высокой тепловой нагрузке и долгосрочная экономия ресурсов.
Сферы применения
Преимущества
Технические характеристики
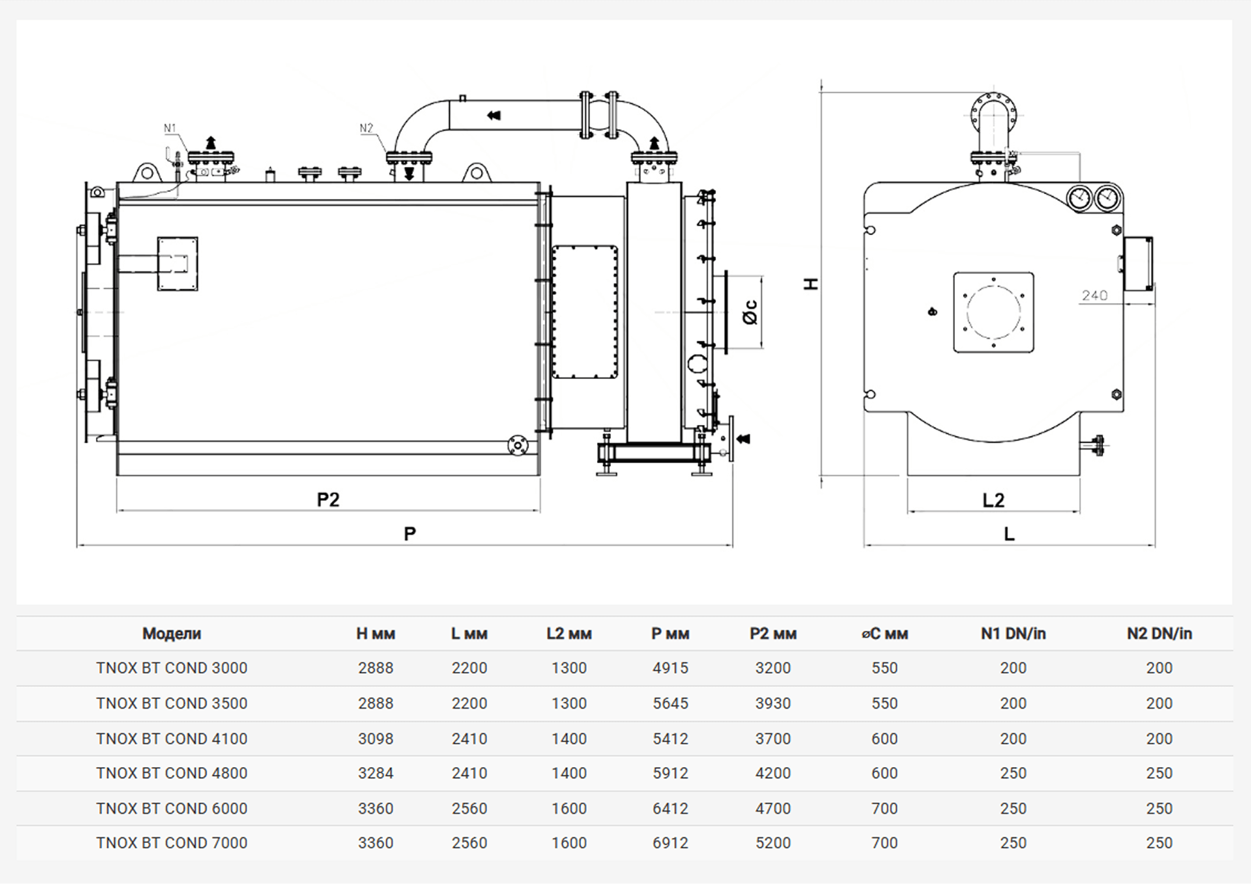
Габаритные размеры

Сферы применения

Централизованные системы теплоснабжения
Котлы серии TNOX BT COND применяются в районных и квартальных котельных, обеспечивая стабильную подачу тепла при высоких нагрузках и эффективную работу в длительном режиме эксплуатации.

Промышленные объекты и производственные комплексы
Оптимальное решение для предприятий с непрерывными тепловыми процессами, где важны экономия топлива, высокая надежность оборудования и предсказуемость эксплуатационных затрат.

Общественные и административные здания
Используются для отопления и горячего водоснабжения торговых центров, бизнес-комплексов, учебных заведений и других объектов с переменным теплопотреблением.

Медицинские учреждения
Подходят для больниц, клиник и медицинских центров, где требуется бесперебойная работа системы отопления и ГВС при строгих требованиях к надежности и безопасности оборудования.

Спортивные и инфраструктурные объекты
Эффективно применяются в спортивных комплексах, бассейнах и ледовых аренах, обеспечивая стабильные параметры теплоносителя при высоких пиковых нагрузках.

Энергоэффективные котельные нового строительства и реконструкции
Серия TNOX BT COND востребована при реализации проектов модернизации и строительства котельных с акцентом на снижение расхода топлива и повышение общей эффективности системы.

Преимущества

Высокий совокупный КПД системы
Интегрированный конденсационный рекуператор позволяет дополнительно использовать теплоту дымовых газов, повышая эффективность работы котла и снижая удельный расход топлива.

Повышенная энергоэффективность при частичных нагрузках
Конструкция котла обеспечивает стабильные показатели эффективности не только при номинальной, но и при пониженной тепловой нагрузке, что особенно важно для сезонной эксплуатации.

Стабильная работа в сложных условиях эксплуатации
Большой объем воды и высокая тепловая инерция делают котлы TNOX BT COND менее чувствительными к перепадам давления и температуры теплоносителя.

Гибкость комплектации под задачи проекта
Оборудование может поставляться как в базовом исполнении, так и в виде полностью укомплектованного заводского решения с дополнительными модулями и системами управления.

Промышленный уровень безопасности
Котлы TEKO проектируются с учетом действующих международных норм и оснащаются необходимыми системами защиты, контроля и аварийной сигнализации.

Надежность и длительный срок службы
Инженерные решения TEKO, качественные материалы и продуманная конструкция обеспечивают долгую эксплуатацию оборудования при высоких тепловых нагрузках и минимальные требования к обслуживанию.

Технические характеристики

Габаритные размеры

Смотрите также